Roller drive sproket tunggal
Cat:Roller drive sproket
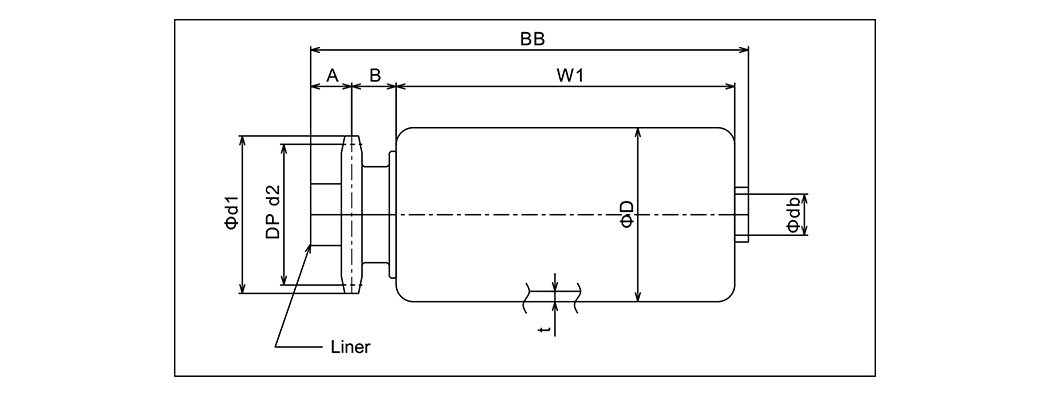
Jenis Ukuran rol Lebar rol Bahan roller Bant...
Roller yang digerakkan adalah jenis roller pemalas yang digunakan dalam konveyor roller bertenaga, biasanya dilengkapi dengan roda penggerak seperti sproket, katrol multi-wedge, katrol waktu, katrol V-belt, atau rol o-grooved. Rol yang digerakkan dengan sproket menawarkan kapasitas beban tinggi, dengan sproket biasanya terbuat dari baja dan tersedia dalam berbagai spesifikasi berdasarkan persyaratan beban. Rol yang digerakkan dengan katrol multi-wedge, katrol waktu, dan katrol V-belt dirancang untuk sistem yang digerakkan oleh sabuk dan memiliki kapasitas beban yang lebih ringan. Rol o-grooved juga digunakan untuk konveyor rol tugas ringan, dengan kapasitas beban lebih rendah dari rol yang digerakkan sabuk.

Jenis Ukuran rol Lebar rol Bahan roller Bant...
| Jenis | Ukuran rol | Lebar rol | Bahan roller | Bantalan | Diameter poros | Ukuran liner | Sproket | D | d2 | A | B | W1 | Bb |
| KR-384010S | 38.1 × 2.3 | 100 ~ 800 | Stkm | 6001ZZ · 6201Z | 12.0 | 18 × 12.2 × 26 | #40 × 10ts | 46 | 41.1 | 12 | 14 | W-1 | W 28 |
| KR-424010S | 42.7 × 2.3 | 100 ~ 800 | Stkm | 6001ZZ · 6201Z | 12.0 | 18x12.2 × 26 | #40 × 10ts | 46 | 41.1 | 12 | 14 | W | W 28 |
| KR-484010S | 48.6 × 3.5 | 100 ~ 800 | SGP40A | 6001ZZ · 6201Z | 12.0 | 18 × 12.2 × 26 | #40 × 10ts | 46 | 41.1 | 12 | 11 | W 5 | W 28 |
| KR-504010S | 50.8 × 1.6 | 100 ~ 800 | Stkm | 6001ZZ · 6201Z | 12.0 | 18 × 12.2 × 26 | #40 × 10ts | 46 | 41.1 | 12 | 13 | W-1 | W 28 |
| KR-574010S | 57.1 × 2.1 | 100 ~ 1000 | Stkm | 6001ZZ · 6201Z | 12.0 | 18 × 12.2 × 26 | #40 × 10ts | 46 | 41.1 | 12 | 13 | W | W 28 |
| KR-604010S | 60.5 × 2.3 | 100 ~ 1000 | Stkm | 6001ZZ · 6201Z | 12.0 | 18 × 12.2 × 26 | #40 × 10ts | 46 | 41.1 | 12 | 13 | W | W 28 |
| KR-605011S | 60.5 × 3. | 100 ~ 1000 | SGP50A | 6002zz | 15.0 | 21 × 15.2 × 41.5 · 21 × 15.2 × 12 | #50 × 11ts | 63 | 56.35 | 20 | 18 | W 3 | W 48 |
| KR-765011S | 76.3 × 4.2 | 100 ~ 1000 | SGP65A | 6002zz | 15.0 | 21 × 15.2 × 41.5 · 21 × 152 × 12 | #50 × 11ts | 63 | 56.35 | 20 | 18 | W 2 | W 48 |
| KR-605013S | 60.5 × 3.8 | 100 ~ 1000 | SGP50A | 6004zz | 20.0 | 29 × 20.2 × 38.5 · 29 × 20.2 × 15 | #50 × 13ts | 73 | 66.34 | 20 | 18 | W 1 | W 48 |
| KR-765013S | 76.3 × 4.2 | 100 ~ 1000 | SGP65A | 6004zz | 20.0 | 29x20.2x38.5 · 29 × 20.2 × 15 | #50 × 13ts | 73 | 66.34 | 20 | 18 | W 2 | W 48 |
| KR-895013S | 89.1 × 4.2 | 100 ~ 1000 | SGP80A | 6004zz | 20.0 | 29 × 20.2x38.5 · 29 × 202x15 | #50 × 13ts | 73 | 66.34 | 20 | 18 | W | W 48 |
| KR-1146014S | 114.3 × 4.5 | 300 ~ 2000 | SGP100A | 6205zz | 25.0 | 35 × 26 × 19 · 35 × 26 × 21 | #60 × 14ts | 93 | 85.61 | 20 | 23 | W | W 58 |
| KR-1406016S | 139.8 × 4.5 | 300 ~ 2000 | SGP125A | 6206zz | 30.0 | 38 × 31.1 × 19 · 38 × 31.1 × 21 | #60 × 16ts | 107 | 97.65 | 20 | 23 | W | W 58 |

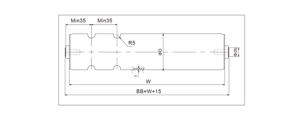
Jenis Ukuran rol Lebar rol Bahan roller Bant...
| Jenis | Ukuran rol | Lebar rol | Bahan roller | Bantalan | Diameter poros | Ukuran liner | Sproket | d1 | d2 | A | B | C | W1 | Bb |
| KR-384010SW | 38.1 × 2.3 | 100 ~ 800 | Stkm | 6001ZZ · 6201Z | 12.0 | 18 × 12.2 × 53 | #40 × 10TSW | 46 | 41.1 | 12 | 23 | 18 | W-1 | W 58 |
| KR-424010SW | 42.7 × 2.3 | 100 ~ 800 | Stkm | 6001ZZ · 6201Z | 12.0 | 18 × 12.2 × 53 | #40 × 10TSW | 46 | 41.1 | 12 | 23 | 18 | W | W 58 |
| KR-484010SW | 48.6 × 3.5 | 100 ~ 800 | SGP40A | 6001ZZ · 6201Z | 12.0 | 18 × 12.2 × 53 | #40 × 10TSW | 46 | 41.1 | 12 | 23 | 15 | W 5 | W 58 |
| KR-504010SW | 50.8 × 1.6 | 100 ~ 800 | Stkm | 6001ZZ · 6201Z | 12.0 | 18 × 12.2 × 53 | #40x10tsw | 46 | 41.1 | 12 | 23 | 18 | W-1 | W 58 |
| KR-574010SW | 57.1 × 2.1 | 100 ~ 1000 | Stkm | 6001ZZ · 6201Z | 12.0 | 18 × 12.2 × 53 | #40 × 10TSW | 46 | 41.1 | 12 | 23 | 18 | W | W 58 |
| KR-604010SW | 60.5 × 2.3 | 100 ~ 1000 | Stkm | 6001ZZ · 6201Z | 12.0 | 18 × 12.2 × 53 | #40 × 10TSW | 46 | 41.1 | 12 | 23 | 18 | W | W 58 |
| KR-605011SW | 60.5 × 3.8 | 100 ~ 1000 | SGP50A | 6002zz | 15.0 | 21x15.2 × 66.5 · 21 × 15.2x12 | #50 × 11tsw | 63 | 56.35 | 20 | 25 | 18 | W 3 | W 7 |
| KR-765011SW | 76.3 × 4.2 | 100 ~ 1000 | SGP65A | 6002zz | 15.0 | 21 × 15.2 × 66.5 · 21 × 15.2 × 12 | #50 × 11tsw | 63 | 56.35 | 20 | 25 | 18 | W 2 | W 73 |
| KR-605013SW | 60.5 × 3.8 | 100 ~ 1000 | SGP50A | 6004zz | 20.0 | 29 × 20.2 × 63.5 · 29 × 20.2 × 15 | #50 × 13tsw | 73 | 66.34 | 20 | 25 | 18 | W 1 | W 73 |
| KR-765013SW | 76.3 × 4.2 | 100 ~ 1000 | SGP65A | 600422 | 20.0 | 29 × 20.2 × 63.5 · 29 × 20.2x15 | #50 × 13tsw | 73 | 66.34 | 20 | 25 | 18 | W 2 | W 73 |
| KR-895013SW | 89.1 × 4.2 | 100 ~ 1000 | SGP80A | 6004zz | 20.0 | 29 × 20.2 × 63.5 · 29 × 20.2 × 15 | #50 × 13tsw | 73 | 66.34 | 20 | 25 | 18 | W | W 73 |

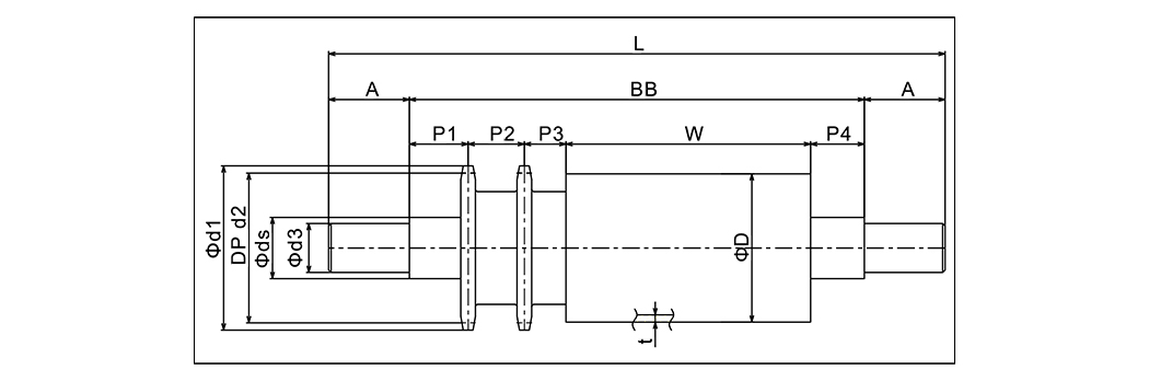
Jenis Ukuran rol Rollerwidth Roller Matenal ...
| Jenis | Ukuran rol | Rollerwidth | Roller Matenal | Bearng | Diameter poros | Sproket | d1 | d2 | d3 | A | L | Bb | P1 | P2 | P3 | P4 |
| KPR-574015SW | 57.2 × 2.6 | 300 ~ 2000 | Stkm | UCPA204 | 25XW 152 | #40 × 15tsw | 67 | 61.08 | 20 | 33 | W 152 | W 86 | 24 | 23 | 17 | 22 |
| KPR-604015SW | 60.5 × 3.8 | 300 ~ 2000 | Stkm | UCPA204 | 25XW 152 | #40 × 15tsw | 67 | 61.08 | 20 | 33 | W 152 | W 86 | 24 | 23 | 17 | 22 |
| KPR-765013SW | 76.3 × 4.2 | 300 ~ 2000 | SGP65A | UCPA204 | 25XW 163 | #50 × 13tsw | 73 | 66.34 | 20 | 33 | W 163 | W 97 | 32 | 25 | 18 | 22 |
| KPR-895013SW | 89.1 × 4.2 | 300 ~ 2000 | SGP80A | UCPA206 | 35XW 169 | #50 × 13tsw | 73 | 66.34 | 30 | 39 | W 169 | W 91 | 29 | 25 | 18 | 19 |
| KPR-1015018SW | 101.6 × 4.5 | 300 ~ 2000 | SGP90A | UCPA206 | 35XW 169 | #50 × 18tsw | 98 | 91.42 | 30 | 39 | W 169 | W 91 | 29 | 25 | 18 | 19 |
| KPR-1145018SW | 114.3 × 4.5 | 300 ~ 2000 | SGP100A | UCPA206 | 35XW 169 | #50 × 18tsw | 98 | 91.42 | 30 | 39 | W 169 | W 91 | 29 | 25 | 18 | 19 |
| KPR-1405018SW | 139.8 × 4.5 | 300 ~ 2000 | SGP125A | UCPA206 | 35XW 169 | #50 × 18tsw | 98 | 91.42 | 30 | 39 | W 169 | W 91 | 29 | 25 | 18 | 19 |

Jenis Ukuran rol Lebar rol Bahan roller Bant...
| Jenis | Ukuran rol | Lebar rol | Bahan roller | Bantalan | Diameter poros | Ukuran liner | Sproket | |||||
| Mac-CN384010S | 38.1 × 2.3 | 100 ~ 800 | Stkm | 6001ZZ · 6201Z | 12.0 | 18 × 12.2 × 17 | #40 × 10ts | |||||
| Mac-CN424010S | 42.7 × 2.3 | 100 ~ 1000 | Stkm | 6001ZZ · 6201Z | 12.0 | 18x12.2 × 17 | #40 × 10ts | |||||
| Mac-CN484010S | 48.6 × 3.5 | 100 ~ 1000 | SGP40A | 60012Z · 6201Z | 12.0 | 18 × 12.2 × 17 | #40 × 10ts | |||||
| Mac-CN504010S | 50.8 × 1.6 | 100 ~ 1000 | Stkm | 6001ZZ · 6201Z | 12.0 | 18 × 12.2 × 17 | #40 × 10ts | |||||
| Mac-CN574010S | 57.1 × 2.1 | 100 ~ 1000 | Stkm | 6001ZZ · 6201Z | 12.0 | 18 × 12.2 × 17 | #40 × 10ts | |||||
| Mac-CN604010S | 60.5 × 2.3 | 100 ~ 1000 | Stkm | 6001ZZ · 6201Z | 12.0 | 18 × 12.2 × 17 | #40 × 10ts | |||||
| Jenis | Ukuran rol | Lebar rol | Bahan roller | Bantalan | Diameter poros | Sproket | ||||||
| Mac-CS384010S | 38.1 × 2.3 | 100 ~ 800 | Stkm | 6001ZZ · 6201Z | 12.0 | #40 × 10ts | ||||||
| MAC-CS424010S | 42.7 × 2.3 | 100 ~ 1000 | Stkm | 6001ZZ · 6201Z | 12.0 | #40 × 10ts | ||||||
| Mac-CS484010S | 48.6 × 3.5 | 100 ~ 1000 | SGP40A | 6001ZZ · 6201Z | 12.0 | #40 × 10ts | ||||||
| Mac-CS504010S | 50.8 × 1.6 | 100 ~ 1000 | Stkm | 6001ZZ · 6201Z | 12.0 | #40 × 10ts | ||||||
| Mac-CS574010S | 57.1 × 2.1 | 100 ~ 1000 | Stkm | 6001ZZ · 6201Z | 12.0 | #40 × 10ts | ||||||
| Mac-CS604010S | 60.5 × 2.3 | 100 ~ 1000 | Stkm | 6001ZZ · 6201Z | 12.0 | #40 × 10TS | ||||||

Jenis Ukuran rol Lebar rol Bahan roller Bant...
| Jenis | Ukuran rol | Lebar rol | Bahan roller | Bantalan | Diameter poros | Ukuran liner | Sproket |
| Mac-CN384010SW | 38.1 × 2.3 | 100 ~ 800 | Stkm | 6001Z · 6201Z | 12.0 | 18 × 12.2 × 17 | #40 × 10ts |
| Mac-CN424010SW | 42.7 × 2.3 | 100 ~ 1000 | Stkm | 6001ZZ · 6201Z | 12.0 | 18 × 12.2 × 17 | #40 × 10ts |
| Mac-CN484010SW | 48.6 × 3.5 | 100 ~ 1000 | SGP40A | 6001ZZ · 6201Z | 12.0 | 18 × 12.2 × 17 | #40 × 10ts |
| Mac-CN504010SW | 50.8 × 1.6 | 100 ~ 1000 | Stkm | 6001Z · 6201Z | 12.0 | 18 × 12.2 × 17 | #40 × 10ts |
| Mac-CN574010SW | 57.1 × 2.1 | 100 ~ 1000 | Stkm | 6001ZZ · 6201Z | 12.0 | 18 × 12.2 × 17 | #40 × 10ts |
| Mac-CN604010SW | 60.5 × 2.3 | 100 ~ 1000 | Stkm | 6001ZZ · 6201Z | 12.0 | 18 × 12.2 × 17 | #40 × 10TS |

Jenis Ukuran rol Lebar rol Bahan roller Bant...
| Jenis | Ukuran rol | Lebar rol | Bahan roller | Bantalan | Diameter poros | Ukuran liner | Sproket | d1 | d2 |
| Mac-CN605010SW | 60.5 × 2.3 | 100 ~ 1000 | Stkm | 6002Z7 · 61902Z | 15.0 | 20 × 15.2 × 16 | #50 × 10ts | 57.43 | 51.37 |
| Mac-CN765013SW | 76.3 × 2.0 | 100 ~ 1000 | Stkm | 6204ZZ · 61904Z | 20.0 | 25 × 20.2 × 22 | #50 × 13TS | 73 | 66.34 |

R Center 1000 Total panjang Lebar rol ...
| R Center | 1000 | Total panjang | Lebar rol | Luas conveyor | Jalan sempit | Diameter besar | Memuat roller | Berat roller | |||
| Sproket | #40 × 10TSW | (∅) | Ketebalan | (∅) | Ketebalan | ||||||
| Lebar roller | 200 ~ 600 | 258 | 200 | 260 | 51.5 | 3.0 | 62.5 | 2.6 | 1842 | 1236 | |
| Bahan roller | Stkm | 358 | 300 | 360 | 48.8 | 3.0 | 65.2 | 2.6 | 1215 | 1643 | |
| Beaning | 6001ZZ · 6201Z | 458 | 400 | 460 | 46.0 | 3.1 | 68.0 | 2.6 | 911 | 2050 | |
| Diameter poros DB | 12.0 | 558 | 500 | 560 | 43.3 | 3.2 | 70.7 | 2.4 | 725 | 2456 | |
| Ukuran DC × DC × LC/Liner | 18 × 12.2 × 53 · 18 × 12.2 × 7 | 658 | 600 | 660 | 41.3 | 3.3 | 74.0 | 2.3 | 597 | 2863 | |
| R Center | 1200 | Total panjang | Lebar rol | Luas conveyor | Jalan sempit | Diameter besar | Memuat roller | Berat roller | |||
| Sproket | #40 × 10TSW | (∅) | Ketebalan | (∅) | Ketebalan | ||||||
| Lebar roller | 200 ~ 600 | 258 | 200 | 260 | 52.1 | 2.9 | 61.9 | 2.5 | 1842 | 1.132 | |
| Bahan roller | Stkm | 358 | 300 | 360 | 49.7 | 3.0 | 64.3 | 2.4 | 1215 | 1487 | |
| Beaning | 6001ZZ · 6201Z | 458 | 400 | 460 | 47.3 | 3.1 | 65.7 | 2.4 | 911 | 1842 | |
| Diameter poros DB | 12.0 | 558 | 500 | 560 | 45.0 | 3.2 | 69.2 | 2.8 | 725 | 2197 | |
| Ukuran DC × DC × LC/Liner | 18 × 12.2 × 53 · 18 × 12.2 × 7 | 658 | 600 | 660 | 45.0 | 3.2 | 74.0 | 2 | 597 | 2552 | |
| R Center | 1500 | Total panjang | Lebar rol | Luas conveyor | Jalan sempit | Diameter besar | Memuat roller | Berat roller | |||
| Sproket | #40 × 10TSW | (∅) | Ketebalan | (∅) | Ketebalan | ||||||
| Lebar roller | 200 ~ 600 | 258 | 200 | 260 | 52.6 | 2.7 | 61.4 | 2.8 | 1842 | 1233 | |
| Bahan roller | Stkm | 358 | 300 | 360 | 50.4 | 2.9 | 63.6 | 2.7 | 1215 | 1645 | |
| Beaning | 6001ZZ · 6201Z | 458 | 400 | 460 | 48.0 | 3.1 | 65.4 | 2.4 | 911 | 2046 | |
| Diameter poros DB | 12.0 | 558 | 500 | 560 | 48.0 | 3.4 | 69.8 | 2.4 | 725 | 2452 | |
| Ukuran DC × DC × LC/Liner | 18 × 12.2 × 53 · 18 × 12.2 × 7 | 658 | 600 | 660 | 48.0 | 3.1 | 74.0 | 2.1 | 597 | 2.86 | |
| R Center | 2000 | Total panjang | Lebar rol | WDE dari Conveyor | Jalan sempit | Diameter besar | Memuat roller | Berat roller | |||
| Sproket | #40 × 10TSW | (∅) | Ketebalan | (∅) | Ketebalan | ||||||
| Lebar roller | 400 ~ 800 | 458 | 400 | 460 | 50.0 | 3.0 | 62.5 | 2.3 | 911 | 1990 | |
| Bahan roller | Stkm | 558 | 500 | 560 | 50.0 | 3.0 | 65.6 | 2.2 | 725 | 2398 | |
| Beaning | 6001ZZ · 6201Z | 658 | 600 | 660 | 50.0 | 3.0 | 68.8 | 2.2 | 597 | 2797 | |
| Diameter poros DB | 12.0 | 758 | 700 | 760 | 50.0 | 3.0 | 71.9 | 2.1 | 519 | 3210 | |
| Ukuran DC × DC × LC/Liner | 18 × 12.2 × 53 · 18 × 12.2 × 7 | 858 | 800 | 860 | 50.0 | 3.0 | 75.0 | 2.0 | 450 | 3620 | |

R Center 500 Total panjang Lebar rol ...
| R Center | 500 | Total panjang | Lebar rol | Luas conveyor | Jalan sempit | Diameter besar | |
| Sproket | #40 × 10TSW | (∅) | (∅) | ||||
| Lebar roller | 300 ~ 700 | 328 | 300 | 330 | 42.7 | 60 | |
| Bahan roller | Stkm | 428 | 400 | 430 | 42.7 | 65 | |
| Beaning | 6001ZZ · 6201Z | 528 | 500 | 530 | 42.7 | 75 | |
| Diameter poros DB | 12.0 | 628 | 600 | 630 | 42.7 | 80 | |
| Ukuran DC × DC × LC/Liner | 18 × 12.2 × 27 · 18 × 12.2 × 7 | 728 | 700 | 730 | 42.7 | 89 |
| R Center | 900 | Total panjang | Lebar rol | Luas conveyor | Jalan sempit | Diameter besar | |
| Sproket | #40 × 10TSW | (∅) | (∅) | ||||
| Lebar roller | 300 ~ 700 | 328 | 300 | 330 | 42.7 | 56 | |
| Bahan roller | Stkm | 428 | 400 | 430 | 42.7 | 60 | |
| Beaning | 6001ZZ · 6201Z | 528 | 500 | 530 | 42.7 | 65 | |
| Diameter poros DB | 12.0 | 628 | 600 | 630 | 42.7 | 70 | |
| Ukuran DC × DC × LC/Liner | 18 × 12.2 × 27 · 18 × 12.2 × 7 | 728 | 700 | 730 | 42.7 | 75 |
| R Center | 900 | Total panjang | Lebar rol | luas conveyor | Jalan sempit | Diameter besar | |
| Sproket | #40 × 10TSW | (∅) | (∅) | ||||
| Lebar roller | 800 ~ 1000 | 828 | 800 | 830 | 42.7 | 65 | |
| Bahan roller | Stkm | 928 | 900 | 930 | 42.7 | 70 | |
| Beaning | 6001ZZ · 6201Z | 1028 | 1000 | 1030 | 42.7 | 75 | |
| Diameter poros DB | 12.0 | ||||||
| Ukuran DC × DC × LC/Liner | 18 × 12.2 × 27 · 18 × 12.2 × 7 |

Jenis Ukuran rol Lebar rol Bahan roller Bant...
| Jenis | Ukuran rol | Lebar rol | Bahan roller | Bantalan | Diameter poros | Polyvee Pulley |
| DQR-3812 | 38.1 × 12 | 100 ~ 1000 | Stkm | 6001zz | 12.0 | Q235 |
| DQRS-3815 | 38.1 × 1.5 | 100 ~ 1000 | SUS304/201 | 6001zz | 12.0 | Q235/SUS |
| DQR-5015 | 50.8 × 1.5 | 100 ~ 1000 | Stkm | 6002zz | 12.0 | Damar |
| DQRS-5015 | 50 × 1.5 | 100 ~ 1000 | SUS304/201 | 6002zz | 12.0 | Damar |
| DQR-5721 | 57.2 × 2.1 | 100 ~ 1000 | Stkm | 6001zz | 12.0 | Q235 |
| DQR-6023 | 60.5 × 2.3 | 100 ~ 1000 | Stkm | 6002zz | 12.0 | Q235 |
| DQRS-6020 | 60 × 2.0 | 100 ~ 1000 | SUS304/201 | 6002zz | 12.0 | Q235/SUS/Resin |
| DQR-7620 | 76.3 × 2.0 | 100 ~ 1000 | Stkm | 6001zz | 12.0 | Q235 |
| DQRS-7620 | 76 × 2.0 | 100 ~ 1000 | SUS304/201 | 6001zz | 12.0 | Q235/SUS |

Jenis Ukuran rol Lebar rol Bahan roller Bant...
| Jenis | Ukuran rol | Lebar rol | Bahan roller | Bantalan | Diameter poros | Vnbbed Pully |
| VR-3812 | 38.1 × 1.2 | 100 ~ 1000 | Stkm | 6001zz | 12.0 | Q235 |
| VRS-3815 | 38 × 1.5 | 100 ~ 1000 | SUS304/201 | 6001zz | 12.0 | Q235/SUS |
| VR-5015 | 50.8 × 1.5 | 100 ~ 1000 | Stkm | 6001zz | 12.0 | Q235 |
| VRS-5015 | 50 × 1.5 | 100 ~ 1000 | SUS304/201 | 6001zz | 12.0 | Q235/SUS |
| VR-5721 | 57.2 × 2.1 | 100 ~ 1000 | Stkm | 6001zz | 12.0 | Q235 |
| VR-6023 | 60.5 × 2.3 | 100 ~ 1000 | Stkm | 6001zz | 12.0 | Q235 |
| VRS-6020 | 60 × 2.0 | 100 ~ 1000 | SUS304/201 | 6001zz | 12.0 | Q235/SUS |
| VR-7620 | 76.3 × 2.0 | 100 ~ 1000 | Stkm | 6001zz | 12.0 | Q235 |
| VRS-7620 | 76 × 2.0 | 100 ~ 1000 | SUS304/201 | 6001zz | 12.0 | Q235/SUS |

Jenis Ukuran rol Lebar rol Bahan roller Diam...
| Jenis | Ukuran rol | Lebar rol | Bahan roller | Diameter poros | Bantalan |
| OR-3812 | 38.1 × 1.2 | 100 ~ 1000 | Stkm | 12.0 | SS |
| ORS-3815 | 38.1 × 1.5 | 100 ~ 1000 | SUS304/201 | 12.0 | SS/SUS |
| OR-4214 | 42.7 × 1.4 | 100 ~ 1000 | Stkm | 12.0 | SS |
| OR-5015 | 50.8 × 1.5 | 100 ~ 1000 | Stkm | 12.0 | SS |
| ORS-5015 | 50 × 1.5 | 100 ~ 1000 | SUS304/201 | 12.0 | SS/Resin |
| OR-5721 | 57.2 × 2.1 | 100 ~ 1000 | Stkm | 12.0 | SS |
| OR-6023 | 60.5 × 2.3 | 100 ~ 1000 | Stkm | 12.0 | SS |
| ORS-6020 | 60 × 2.0 | 100 ~ 1000 | SUS304/201 | 12.0 | SS/Resin |
Mengapa Pemeliharaan Roller Conveyor Berdampak Langsung pada Umur Sistem Konveyor ro...
BACA SELENGKAPNYAApa yang Membuat Roller Conveyor Benar-Benar Bertugas Berat? Konveyor roller tugas berat...
BACA SELENGKAPNYAApa Itu Roller Conveyor dan Mengapa Jenisnya Penting? Konveyor rol adalah siste...
BACA SELENGKAPNYAMengapa Roller Conveyor Tetap Menjadi Tulang Punggung Penanganan Material Konveyor r...
BACA SELENGKAPNYASistem konveyor memindahkan jutaan ton material setiap hari ke seluruh pabrik, gudang...
BACA SELENGKAPNYAKeuntungan Produk Wuxi Huiqian Roller yang didorong : Daya tahan tinggi dan kapasitas penahan beban
Wuxi Huiqian Logistics Machinery Manufacturing Co., Ltd, terkenal karena integrasi teknologi logistik Jepang canggih, berdiri di garis depan inovasi dalam industri penanganan material. Perusahaan ini berspesialisasi dalam memproduksi berbagai peralatan logistik berkualitas tinggi, termasuk Roller yang didorong , roller conveyor, dan berbagai komponen penting lainnya. Dengan koma ketepatan, keandalan, dan kinerja, rol yang digerakkan Wuxi Huiqian dirancang untuk memenuhi beragam kebutuhan industri yang mengandalkan sistem penanganan material yang efisien dan andal.
Rol yang didorong memainkan peran penting dalam banyak proses logistik dan manufaktur. Baik untuk bergerak besar, barang berat atau paket kecil, rol ini merupakan bagian integral dari sistem otomatis yang merampingkan alur kerja dan meningkatkan efisiensi. Rol yang digerakkan oleh Wuxi Huiqian, termasuk rol drive sprocket dan rol drive meruncing, direkayasa untuk daya tahan dan kinerja optimal di lingkungan operasional yang beragam. Kombinasi bahan canggih, teknologi mutakhir, dan desain yang dapat disesuaikan menjadikan rol ini pilihan yang disukai untuk industri di seluruh dunia.
Wuxi Huiqian Roller yang didorong dirancang untuk menahan beban berat dan penggunaan terus menerus di lingkungan yang menuntut. Rol dibangun menggunakan bahan berkekuatan tinggi seperti baja dan stainless steel, yang memastikan kinerja jangka panjang bahkan di bawah kondisi yang ketat. Ketahanan bahan -bahan ini menjamin bahwa rol dapat menangani berbagai kapasitas beban, dari komponen industri ringan hingga bagian mesin berat, tanpa mengurangi integritas struktural mereka.
Rol drive sproket, khususnya, dibangun dengan baja yang tahan lama dan berkualitas tinggi untuk memastikan mereka dapat menahan torsi yang diperlukan untuk menggerakkan sistem konveyor dalam aplikasi yang menuntut. Demikian pula, rol drive yang meruncing, yang dirancang dengan sudut untuk memfasilitasi operasi yang lancar, juga menunjukkan kekuatan dan stabilitas tinggi di bawah kondisi beban yang berat. Pilihan materi canggih meminimalkan keausan, meningkatkan kemampuan rol untuk melakukan selama umur yang diperluas.
Salah satu keunggulan utama roller yang digerakkan Wuxi Huiqian adalah keserbagunaan dan kemampuan beradaptasi mereka untuk memenuhi persyaratan pelanggan tertentu. Dengan tim R&D yang kuat di pucuk pimpinan, perusahaan dapat mengembangkan solusi khusus yang selaras dengan kebutuhan operasional yang unik. Rol yang digerakkan dapat disesuaikan dalam hal ukuran, material, dan fungsionalitas agar sesuai dengan berbagai aplikasi. Baik itu menyesuaikan diameter rol, panjang, atau menambahkan pelapis khusus, Wuxi Huiqian bekerja erat dengan pelanggan untuk memastikan produk cocok dengan spesifikasi yang tepat.
Kemampuan untuk memberikan solusi yang dirancang membuat roller yang digerakkan ini ideal untuk berbagai industri, termasuk manufaktur otomotif, produksi makanan dan minuman, pergudangan, logistik, dan e-commerce. Rol dapat disesuaikan agar sesuai dengan berbagai jenis sistem konveyor dan jalur produksi, menjadikannya komponen serbaguna dalam operasi penanganan material apa pun.
Wuxi Huiqian dikenal karena standar rekayasa presisi yang tinggi, yang sangat penting untuk memastikan kinerja yang andal dari rol yang digerakkan. Perusahaan menggunakan mesin CNC (Kontrol Numerik Komputer) canggih untuk memproduksi rol yang digerakkan dengan akurasi yang luar biasa. Presisi ini menjamin bahwa rol diproduksi dengan spesifikasi tepat yang diperlukan untuk setiap aplikasi unik, meminimalkan kemungkinan kerusakan atau inefisiensi.
Penggunaan mesin CNC juga memastikan bahwa rol diproduksi secara konsisten dalam volume besar, memungkinkan untuk mempertahankan standar produksi yang tinggi dan mengurangi risiko cacat. Presisi juga meluas ke desain sproket dan fitur meruncing, memastikan bahwa komponen -komponen kritis ini berkinerja lancar dan mulus di perakitan akhir.
Rol yang digerakkan Wuxi Huiqian dirancang untuk memberikan efisiensi operasional yang tinggi sambil membutuhkan pemeliharaan minimal. Rol ini direkayasa untuk mengurangi gesekan dan keausan, yang mengurangi frekuensi tugas pemeliharaan dan memperluas masa pakai peralatan. Fitur ini sangat penting dalam industri di mana operasi berkelanjutan diperlukan dan waktu henti harus diminimalkan.
Rol drive sproket dirancang dengan gigi yang saling terkait yang mengurangi selip dan meningkatkan transfer daya, memastikan bahwa sistem konveyor beroperasi secara efisien bahkan di bawah kondisi beban tinggi. Demikian pula, rol drive yang meruncing dirancang untuk meminimalkan risiko kerusakan pada sabuk konveyor atau komponen di sekitarnya, meningkatkan keandalan sistem secara keseluruhan.
Desain rendah pemeliharaan rol yang digerakkan oleh Wuxi Huiqian mengurangi biaya operasional dengan menurunkan kebutuhan pemeliharaan dan potensi downtime yang tidak terduga. Selain itu, perusahaan menawarkan sistem layanan purna jual yang komprehensif, memastikan bahwa setiap masalah ditangani segera dan bahwa pelanggan dapat mempertahankan kelancaran operasi peralatan mereka.
Rol yang digerakkan dari Wuxi Huiqian dirancang agar hemat energi, yang sangat penting untuk mengurangi biaya operasi sistem penanganan material. Rol ini direkayasa untuk meminimalkan konsumsi energi sambil mempertahankan daya yang diperlukan untuk menggerakkan sistem konveyor. Fokus pada efisiensi energi ini diterjemahkan ke dalam tagihan listrik yang lebih rendah untuk bisnis, berkontribusi pada penghematan biaya secara keseluruhan dan keberlanjutan lingkungan.
Di era di mana bisnis semakin peduli dengan dampak lingkungan mereka, desain hemat energi dari rol yang digerakkan oleh Wuxi Huiqian memastikan bahwa perusahaan dapat beroperasi secara berkelanjutan tanpa mengorbankan kinerja atau keandalan.
Rol drive sproket adalah salah satu jenis rol yang paling umum digunakan dalam sistem konveyor. Rol ini dirancang untuk digerakkan oleh rantai dan dilengkapi dengan sproket yang saling mengunci dengan rantai, memastikan operasi yang halus dan andal. Bahan yang digunakan untuk rol drive sproket biasanya adalah baja berkualitas tinggi atau stainless steel, yang dipilih untuk kekuatan, daya tahan, dan kemampuan untuk menangani torsi yang dihasilkan oleh rantai drive.
Rol drive sproket dari Wuxi Huiqian dirancang dengan toleransi yang tepat untuk memastikan bahwa sproket sangat pas dengan rantai, meminimalkan selip dan memaksimalkan transmisi daya. Rol juga dirawat untuk menahan keausan dan korosi, meningkatkan umur panjang dan mengurangi kebutuhan perawatan. Penggunaan bahan berkekuatan tinggi memastikan bahwa rol ini dapat menangani beban berat, membuatnya cocok untuk aplikasi industri dalam pembuatan, pengemasan, dan distribusi.
Rol drive meruncing menampilkan desain berbentuk kerucut yang memungkinkan pergerakan bahan yang halus dan efisien pada sistem konveyor. Lancip memastikan bahwa bahan dipandu dengan lancar di sepanjang konveyor, mengurangi gesekan dan meningkatkan efisiensi keseluruhan sistem. Bahan yang digunakan untuk rol drive yang meruncing biasanya adalah baja tahan karat atau baja paduan kekuatan tinggi, yang memberikan ketahanan yang sangat baik terhadap keausan dan korosi, membuatnya cocok untuk berbagai lingkungan, termasuk pemrosesan makanan, obat-obatan, dan penggunaan industri yang berat.
Desain meruncing juga berkontribusi pada kemampuan roller untuk menangani berbagai ukuran dan bobot bahan, membuat rol ini sangat mudah beradaptasi dengan berbagai aplikasi. Rol drive runcing Wuxi Huiqian diproduksi dengan presisi untuk memastikan bahwa sudut lancip konsisten di semua rol, memberikan kinerja yang seragam di seluruh sistem konveyor.
Penggunaan baja tahan karat dan baja paduan dalam konstruksi rol yang digerakkan memastikan daya tahannya di lingkungan yang keras atau korosif. Bahan -bahan ini sangat tahan terhadap karat, korosi, dan abrasi, membuatnya ideal untuk industri di mana rol terpapar kelembaban, bahan kimia, atau tantangan lingkungan lainnya. Misalnya, industri makanan dan minuman, di mana kebersihan adalah prioritas, manfaat dari sifat tahan korosi dari rol yang digerakkan stainless steel.
Sifat-sifat bahan yang tahan korosi juga membantu menjaga integritas sistem konveyor dari waktu ke waktu, mencegah perbaikan yang mahal dan memastikan kinerja yang konsisten.
Wuxi Huiqian Logistics Machinery Manufacturing Co., rol yang digerakkan Ltd, termasuk drive sproket dan model drive meruncing, menawarkan keuntungan yang signifikan dalam hal daya tahan, kustomisasi, rekayasa presisi, dan efisiensi. Dengan menggunakan bahan berkualitas tinggi seperti baja dan stainless steel, rol ini memberikan solusi yang tahan lama dan pemeliharaan rendah untuk industri mulai dari manufaktur otomotif hingga logistik dan pemrosesan makanan. Kemampuan mereka untuk menangani beban berat, mengurangi konsumsi energi, dan beroperasi dengan lancar di lingkungan yang menuntut menjadikannya pilihan yang dapat diandalkan untuk setiap bisnis yang ingin mengoptimalkan sistem penanganan material.
Membawa keahlian ke masa depan.
No.60, Zhenhu North Road, Kota Hudai, Distrik Binhu , Wuxi 214100, Cina







