DC-57D (DC-60D) DC Motor Roller Conveyor
Cat:Konveyor roller motor listrik
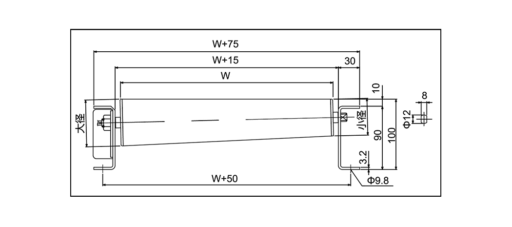
Model DC-57D (DC-60D) Mode drive Rol Moto...
Konveyor rol motor adalah jenis konveyor di mana rol listrik menggantikan motor penggerak tradisional untuk memutar rol. Desain ini memaksimalkan penghematan ruang, membuatnya sangat cocok untuk konveyor multi-level dan aplikasi yang membutuhkan ketinggian yang sangat rendah. Rol motor diklasifikasikan menjadi dua jenis berdasarkan tegangan: AC (arus bolak -balik) dan DC (arus searah) .

Model DC-57D (DC-60D) Mode drive Rol Moto...
| Model | DC-57D (DC-60D) | ||
| Mode drive | Rol Motor (Sabuk PUV) | ||
| Roller bantu Diameter x ketebalan x poros | 57.2 × 1.4 × 12 (60.5 × 2.3 × 12) (Galvanisasi) | ||
| Lebar rol | 300 ~ 1000 | ||
| Pitch roller | 75 100 150 | ||
| Ukuran bingkai | 90 × 30 × 3.2 | ||
| Panjang (l) | 1000 (1050) 1500 2000 (1950) 3000m | ||
| Lebar Konveyor | W 75 | ||
| Kecepatan (m/menit) | Model 25 tipe 30 tipe 40 tipe Jenis 95 | Min 5.8 7.0 9.6 21.2 | Max 31.4 38.3 52.4 115.0 |
| Daya motor | 35W | ||
| Kekuatan | DC24V | ||

Model DC-57AQ (DC-60AQ) Mode drive Motor ...
| Model | DC-57AQ (DC-60AQ) | ||
| Mode drive | Motor Roller (PU V Belt) | ||
| Roller bantu Diameter x ketebalan x poros | 57.2x1.4x12 (60.5 × 2.3 × 12) (Galvanisasi) | ||
| Lebar rol | 300 ~ 1000 | ||
| Pitch roller | 75 100 150 | ||
| Ukuran bingkai | 90 × 30 × 3.2 (120 × 30 × 3.2) | ||
| Panjang (l) | 1000 (1050) 1500 2000 (1950) 3000m | ||
| Lebar Konveyor | W 120 | ||
| Kecepatan (m/menit) | Model 25 tipe 30 tipe 40 tipe Jenis 95 | Min 5.8 7.0 9.6 21.2 | Max 31.4 38.3 52.4 115.0 |
| Daya motor | 35W | ||
| Kekuatan | DC24V | ||

Lebar rol 500 600 700 800 ...
| Lebar rol | 500 | 600 | 700 | 800 | |
| Molor Roller | 42.7x66.5 | 42.7x71.3 | 42.7x76.7 | 42.7x80.0 | |
| Roller bantu | 42.7x66.4 | 42.7x71.3 | 42.7x76.2 | 42.7x80.0 | |
| Kecepatan V 50/60Hz (M/Min) | 3 | 2.3/2.6 | 2.5/2.8 | 2.6/2.9 | 2.6/3.0 |
| 4 | 3.2/3.6 | 3.4/3.8 | 3.5/3.9 | 3.6/4.0 | |
| 5 | 4.5/4.9 | 4.2/4.6 | 4.4/4.8 | 4.5/4.9 | |
| 10 | 8.7/10.3 | 11.2/13.3 | 11.7/14.0 | 12.0/14.3 | |
| 15 | 11.8/14.1 | 12.4/14.8 | 12.9/15.5 | 13.3/15.8 | |
| 20 | 16.2/19.3 | 17/20.2 | 17.8/21.1 | 18.2/21.6 | |
Mengapa Pemeliharaan Roller Conveyor Berdampak Langsung pada Umur Sistem Konveyor ro...
BACA SELENGKAPNYAApa yang Membuat Roller Conveyor Benar-Benar Bertugas Berat? Konveyor roller tugas berat...
BACA SELENGKAPNYAApa Itu Roller Conveyor dan Mengapa Jenisnya Penting? Konveyor rol adalah siste...
BACA SELENGKAPNYAMengapa Roller Conveyor Tetap Menjadi Tulang Punggung Penanganan Material Konveyor r...
BACA SELENGKAPNYASistem konveyor memindahkan jutaan ton material setiap hari ke seluruh pabrik, gudang...
BACA SELENGKAPNYABagaimana Wuxi Huiqian Logistics Machinery Manufacturing Co., Ltd. Konveyor rol motor menangani akumulasi produk atau simpanan?
Di lingkungan logistik dan manufaktur yang serba cepat saat ini, penanganan akumulasi produk dan simpanan yang efisien sangat penting untuk mempertahankan operasi yang lancar dan mencegah penundaan. Wuxi Huiqian Logistics Machinery Manufacturing Co., Ltd., seorang pemimpin dalam manufaktur peralatan logistik, menawarkan solusi inovatif untuk tantangan ini dengan mereka Konveyor bermotor . Konveyor ini, ditenagai oleh rol listrik terintegrasi, memberikan kinerja yang unggul dalam mengelola aliran produk, terutama dalam sistem dan aplikasi multi-level dengan ruang terbatas.
Tentang Wuxi Huiqian Logistics Machinery Manufacturing Co., Ltd.
Didirikan di Wuxi, Cina, Wuxi Huiqian Logistics Machinery Manufacturing Co., Ltd. telah berspesialisasi dalam produksi mesin dan peralatan logistik berkualitas tinggi selama bertahun-tahun. Penawaran perusahaan mencakup berbagai produk, seperti rol, konveyor roller, konveyor sabuk, kandang penyimpanan, troli logistik, konveyor mini, bingkai, dan rak. Dengan fokus pada mengintegrasikan teknologi canggih Jepang, perusahaan telah mendapatkan reputasi untuk memproduksi mesin yang andal dan berkinerja tinggi.
Terletak di Wuxi National Hi-Tech Technology Development District, perusahaan mendapat manfaat dari transportasi yang nyaman dan berbagai fasilitas di sekitarnya yang mendukung produksi dan distribusi yang efisien. Wuxi Huiqian menganut sistem manajemen kualitas yang ketat (QMS) dan menggunakan tenaga kerja yang sangat terampil, memastikan setiap produk memenuhi standar kualitas tertinggi.
Konveyor Rol Motor: Kunci untuk menangani Backlog Produk
Dalam operasi logistik dan manufaktur, akumulasi produk atau simpanan terjadi ketika item menumpuk di berbagai titik di sepanjang jalur produksi atau transportasi karena inefisiensi, keterbatasan peralatan, atau perubahan dalam kecepatan pemrosesan. Tanpa manajemen yang tepat, simpanan dapat menyebabkan penundaan, peningkatan biaya tenaga kerja, dan potensi kerusakan barang.
Di sinilah konveyor roller motor ikut bermain. Konveyor ini, yang ditenagai oleh motor listrik yang dibangun langsung ke dalam rol, menawarkan solusi yang hemat ruang, profil rendah untuk menangani backlog dengan cara yang sangat efektif.
Bagaimana Konveyor roller bermotor Membantu mengelola akumulasi produk:
Rol motor terintegrasi untuk operasi yang lancar: Desain unik Konveyor rol motor melibatkan integrasi motor penggerak di dalam rol itu sendiri. Ini menghilangkan kebutuhan akan motor eksternal, sabuk, dan rantai, menghasilkan sistem konveyor yang lebih kompak dan ramping. Dalam lingkungan yang ketat atau multi-level, desain ini memastikan bahwa sistem berjalan dengan lancar tanpa mengkonsumsi ruang yang berlebihan-fitur penting saat menangani akumulasi produk.
Kontrol Aliran Produk yang Tepat: Konveyor roller motor menawarkan kontrol yang lebih baik dari aliran produk dibandingkan dengan sistem tradisional. Kemampuan untuk mengelola kecepatan dan arah rol dengan tepat membantu mencegah penyumbatan dan cadangan produk, memastikan bahwa barang -barang terus bergerak dengan kecepatan yang benar. Dengan mencegah kelebihan beban di berbagai titik di sepanjang konveyor, rol listrik mengurangi kemungkinan selai dan jaminan produk.
Penyesuaian kecepatan fleksibel: Salah satu manfaat utama dari konveyor roller motor adalah kemampuan untuk dengan mudah menyesuaikan kecepatan. Fitur ini sangat penting dalam mencegah simpanan, karena memungkinkan untuk pengelolaan aliran sebagai respons terhadap perubahan kecepatan produksi. Jika akumulasi produk mulai terbentuk pada tahap tertentu, kecepatan konveyor dapat disesuaikan untuk mengurangi kemacetan, memungkinkan barang untuk terus bergerak secara efisien melalui sistem.
Desain hemat ruang dan profil rendah: Konveyor roller motor sangat bermanfaat di lingkungan di mana ruang terbatas. Desainnya yang kompak dan profil rendah membuatnya cocok untuk ruang yang ketat, sistem multi-level, atau area di mana pembersihan overhead menjadi perhatian. Kemampuan untuk beroperasi di ruang terbatas, tanpa mengurangi kinerja, sangat berharga dalam mengatasi akumulasi produk, terutama ketika produk perlu ditumpuk atau diurutkan di area terbatas.
Efisiensi Energi dan Operasi Tenang: Tidak seperti sistem konveyor tradisional yang mungkin memerlukan motor eksternal, roda gigi, atau katrol, Konveyor roller bermotor Didukung langsung oleh roller itu sendiri, menjadikannya sangat hemat energi. Kurangnya komponen tambahan juga mengurangi tingkat kebisingan, menyediakan lingkungan kerja yang lebih tenang dan lebih menyenangkan, yang dapat sangat bermanfaat di lingkungan yang membutuhkan operasi berkelanjutan.
Peningkatan Keselamatan Produk: Dengan mencegah akumulasi produk yang berlebihan dan memastikan gerakan yang lancar dan konsisten, konveyor rol motor mengurangi risiko kerusakan produk, yang seringkali menjadi perhatian ketika barang macet atau dipindahkan secara paksa dalam sistem tradisional. Operasi mereka yang andal meminimalkan risiko barang yang rusak selama proses penanganan.
Jenis rol listrik dan perannya dalam penanganan produk
Rol listrik dapat dikategorikan ke dalam dua jenis berdasarkan jenis arus listrik yang mereka gunakan: AC (arus bolak -balik) dan DC (arus searah). Setiap jenis memiliki keunggulan spesifik tergantung pada aplikasi dan tingkat kontrol yang diperlukan.
Rol motor AC sangat ideal untuk aplikasi volume tinggi atau tugas berat di mana operasi terus menerus diperlukan. Mereka lebih tahan lama dan hemat biaya, menjadikannya pilihan yang bagus untuk sistem konveyor skala besar atau lingkungan dengan persyaratan aliran yang konsisten.
Rol motor DC lebih disukai ketika kontrol kecepatan yang tepat diperlukan. Kemampuan mereka untuk memberikan operasi yang lebih halus dan penyesuaian kecepatan variabel membuatnya ideal untuk aplikasi di mana produk perlu ditangani dengan hati -hati atau di mana operasi mulai/berhenti yang sering terjadi.
Kesimpulan: Mengelola akumulasi produk dengan konveyor roller motor Wuxi Huiqian
Wuxi Huiqian Logistics Machinery Manufacturing Co., Ltd. menawarkan solusi yang kuat untuk masalah umum akumulasi produk dan simpanan dengan konveyor rol motornya. Dengan mengintegrasikan teknologi canggih dan memberikan desain hemat ruang, hemat energi, konveyor ini membantu mengoptimalkan aliran material di berbagai industri, dari manufaktur hingga distribusi.
Kemampuan untuk mengontrol kecepatan, arah, dan jarak produk secara tepat tidak hanya memastikan operasi yang lancar tetapi juga mencegah kemacetan dan selai, meminimalkan downtime dan meningkatkan efisiensi keseluruhan. Baik di ruang yang ketat, sistem multi-level, atau operasi volume tinggi, konveyor roller motor memberikan solusi yang fleksibel dan andal untuk mengelola aliran produk dan menghilangkan backlog.
Jika Anda ingin mengoptimalkan proses logistik dan menangani akumulasi produk secara lebih efektif, konveyor roller motor Wuxi Huiqian adalah jawabannya. Hubungi kami hari ini untuk mempelajari lebih lanjut tentang bagaimana produk kami dapat meningkatkan operasi Anda dan meningkatkan efisiensi Anda secara keseluruhan.
Membawa keahlian ke masa depan.
No.60, Zhenhu North Road, Kota Hudai, Distrik Binhu , Wuxi 214100, Cina



